Page 42 - BaxiGenCat2025
P. 42

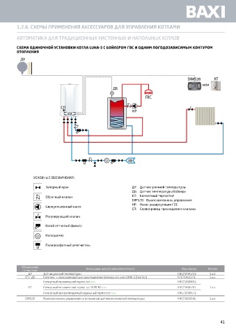
1.2.6. СХЕМЫ ПРИМЕНЕНИЯ АКСЕССУАРОВ ДЛЯ УПРАВЛЕНИЯ КОТЛАМИ

          АВТОМАТИКА ДЛЯ ТРАДИЦИОННЫХ НАСТЕННЫХ И НАПОЛЬНЫХ КОТЛОВ

          СХЕМА ОДИНОЧНОЙ УСТАНОВКИ КОТЛА LUNA-3 C БОЙЛЕРОМ ГВС И ОДНИМ ПОГОДОЗАВИСИМЫМ КОНТУРОМ
          ОТОПЛЕНИЯ





































                  УСЛОВНЫЕ ОБОЗНАЧЕНИЯ:

                        Запорный кран                               ДУ:  Датчик уличной температуры
                                                                    ДБ:  Датчик температуры бойлера
                        Обратный клапан                             КТ:  Комнатный термостат
                                                                    DIMS28:  Выносная панель управления
                                                                    НР:  Насос рециркуляции ГВС
                        Циркуляционный насос
                                                                    СП:  Сервопривод трехходового клапана
                        Регулирующий клапан
                        Косой сетчатый фильтр


                        Расходомер

                        Полифосфатный умягчитель





            Обозначение                     Аксессуары для управления котлами                Код заказа   Кол-во
            на чертеже
               ДУ      Датчик уличной температуры                                          KHG71406211-    1 шт.
              СП + ДБ  Комплект с сервоприводом для присоединения бойлера к котлам LUNA-3 (Comfort)  KFG71411191-  1 шт.
                       Комнатный механический термостат или                                KHG71408691-
               КТ      Комнатный механический термостат SIEMENS или                        KHG71406281-    1 шт.
                       Комнатный программируемый недельный термостат или                   KHG71408671-
              DIMS28   Выносная панель управления со встроенным датчиком комнатной температуры  KHG71410641-  1 шт.





                                                                                                                41
   37   38   39   40   41   42   43   44   45   46   47